Steel Window Flashing
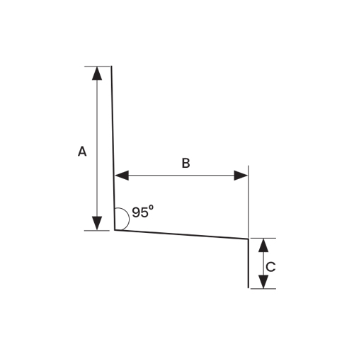
| ITEM ID | A | B | C |
|---|---|---|---|
| WF34126 | 6” | 1/2” | 3/4" |
| WF346 | 6” | 3/4" | 1/2" |
| WF834 | 8" | 3/4" | 1/2" |
| WF100 | 1-5/8" | 1" | 3/8" |
| WF112 | 1-1/2" | 1-1/8" | 3/8" |
| WF10 | 2-1/4" | 1-1/4" | 1/2" |
| WF411412 | 4" | 1-1/4" | 1/2" |
| WF106 | 1-1/2" | 1-1/2" | 1/2" |
| WF102 | 2-1/8" | 1-1/2" | 3/8" |
| WF103 | 2" | 1-1/2" | 1/2" |
| WF211238 | 2" | 1-1/2" | 3/8" |
| WF121123 | 3" | 1-1/2" | 1/2" |
| WF126 | 6" | 1-1/2" | 1/2" |
| WF12134 | 1-3/4" | 1-3/4" | 1/2" |
| WF122112 | 1-1/2" | 2" | 1/2" |
| WF134 | 1-3/4" | 2" | 1/4" |
| WF212 | 2" | 2-1/2" | 1/2" |
| WF12212212 | 2-1/2" | 2-1/2" | 1/2" |
| WF122124 | 4" | 2-1/2" | 1/2" |
| WF122126 | 6" | 2-1/2" | 1/2" |
| WF1233 | 3" | 3" | 1/2" |
| WF3126 | 6" | 3-1/2" | 1/2" |
| WF2312 | 2-1/2" | 3-1/2" | 1/2" |
| WF12334334 | 3-3/4" | 3-3/4" | 1/2" |
| WF412712 | 4-1/2" | 7" | 1/2" |
Steel Window Flashing
Galvanized Window Flashing provides an inexpensive and easy to install method of stopping water penetration behind siding. Horizontal shelf is sloped 5-7 degrees toward outside wall.
MATERIALS: Available in Bldr, or STD, or 26 Ga GZD or standard colors as listed.
*For PAINTED specify stock color -AM- Almond, BR -Brown, BK -Black, CB – Charcoal, WH – White, other colors are Special order.
| ITEM ID | A | B | C |
|---|---|---|---|
| WF34126 | 6” | 1/2” | 3/4" |
| WF346 | 6” | 3/4" | 1/2" |
| WF834 | 8" | 3/4" | 1/2" |
| WF100 | 1-5/8" | 1" | 3/8" |
| WF112 | 1-1/2" | 1-1/8" | 3/8" |
| WF10 | 2-1/4" | 1-1/4" | 1/2" |
| WF411412 | 4" | 1-1/4" | 1/2" |
| WF106 | 1-1/2" | 1-1/2" | 1/2" |
| WF102 | 2-1/8" | 1-1/2" | 3/8" |
| WF103 | 2" | 1-1/2" | 1/2" |
| WF211238 | 2" | 1-1/2" | 3/8" |
| WF121123 | 3" | 1-1/2" | 1/2" |
| WF126 | 6" | 1-1/2" | 1/2" |
| WF12134 | 1-3/4" | 1-3/4" | 1/2" |
| WF122112 | 1-1/2" | 2" | 1/2" |
| WF134 | 1-3/4" | 2" | 1/4" |
| WF212 | 2" | 2-1/2" | 1/2" |
| WF12212212 | 2-1/2" | 2-1/2" | 1/2" |
| WF122124 | 4" | 2-1/2" | 1/2" |
| WF122126 | 6" | 2-1/2" | 1/2" |
| WF1233 | 3" | 3" | 1/2" |
| WF3126 | 6" | 3-1/2" | 1/2" |
| WF2312 | 2-1/2" | 3-1/2" | 1/2" |
| WF12334334 | 3-3/4" | 3-3/4" | 1/2" |
| WF412712 | 4-1/2" | 7" | 1/2" |
Installation Guides
We know that a smooth installation is key to getting the most out of our products. You'll find detailed, easy-to-follow instructions and helpful tips to ensure a hassle-free project from start to finish.
Technical Documents
Need in-depth information? Our Technical Documents section is your go-to resource for detailed specifications, guides, and comprehensive technical data.
Explore Our Video Archives
Curious to learn more? Don't forget to visit our Video Archives section, where you'll find a wealth of helpful tutorials, product demonstrations, and insightful content.
