PRS
Perforated Rain Screen
Protects the building against moisture intrusion that can lead to the decay of building materials.
MATERIAL: 20 Ga (.035″ – .038″) – A653 SS Gr33 HD Galvanized G90
MATERIAL: 20 Ga (.035″ – .038″) – A653 SS Gr33 HD Galvanized G90
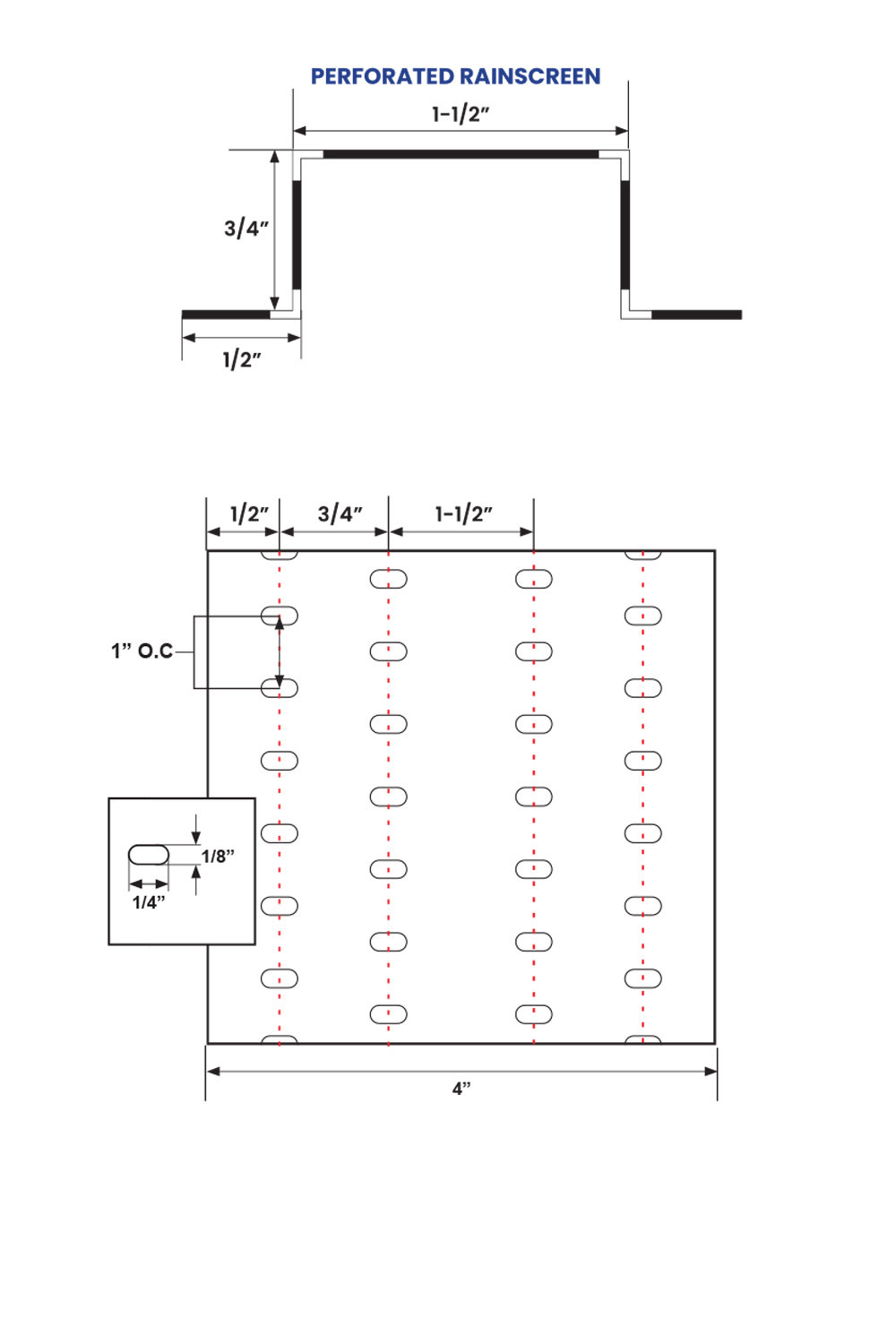
PRS
Perforated Rain Screen
Protects the building against moisture intrusion that can lead to the decay of building materials.
MATERIAL: 20 Ga (.035″ – .038″) – A653 SS Gr33 HD Galvanized G90
Quick Installation Guide
We know that a smooth installation is key to getting the most out of our products. You'll find detailed, easy-to-follow instructions and helpful tips to ensure a hassle-free project from start to finish.
Technical Documents
Need in-depth information? Our Technical Documents section is your go-to resource for detailed specifications, guides, and comprehensive technical data.
Explore Our Video Archives
Curious to learn more? Don't forget to visit our Video Archives section, where you'll find a wealth of helpful tutorials, product demonstrations, and insightful content.





